Chemical Reaction Engineering
Reactors, Reactions and Equipments
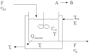
Continuous Stirred Tank Reactor or Mixing Reactors
CSTR's are used for continuous production of chemical products.